

微信在线客服 邮箱:china@messwelk.com
手机:15275707088
电话:152-7570-7088
地址:山东省德州市德城区抬头寺乡
发布时间:2022-05-18 15:38:41 人气:
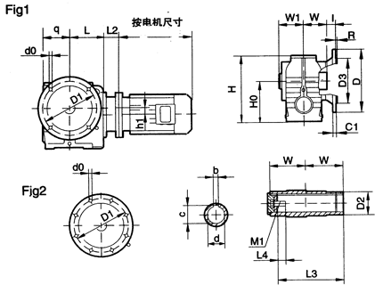
MNAF系列圆柱蜗杆减速机的安装尺寸

|
型号 |
安装尺寸 |
轴伸尺寸 |
外形尺寸 | |||||||||||||||||
|
H0 |
D1 |
D3 |
R |
Fig |
do |
l |
d |
b |
c |
L3 |
L4 |
M1 |
h1
H |
W1
W |
q
L |
C1 |
D |
D2 |
L2 | |
|
MNAF37 |
82 |
100 |
80j6 |
3 |
1 |
6.6 |
15 |
20H7 |
6 |
22.8 |
104 |
8 |
M6×16-8.8 |
4.1
131 |
62.5
60 |
63
80 |
8 |
120 |
35 |
见
204
页 |
|
130 |
110j6 |
3.5 |
9 |
10 |
160 | |||||||||||||||
|
MNAF47 |
100 |
130 |
110j6 |
3.5 |
1 |
9 |
24 |
25H7 |
8 |
28.3 |
105 |
17 |
M10×25-8.8 |
9.0
179 |
63
60 |
75
96 |
10 |
160 |
45 | |
|
30H7 |
8 |
33.3 |
105 |
17 |
M10×25-8.8 | |||||||||||||||
|
MNAF57 |
112 |
165 |
130j6 |
3.5 |
1 |
11 |
25 |
30H7 |
8 |
33.3 |
132 |
17 |
M10×25-8.8 |
21.0
189 |
78
75 |
80
107 |
12 |
200 |
50 | |
|
35H7 |
10 |
38.3 |
132 |
22 |
M12×30-8.8 | |||||||||||||||
|
MNAF67 |
140 |
165 |
130j6 |
3.5 |
1 |
11 |
42.5 |
40H7 |
12 |
43.3 |
144 |
29 |
M16×40-8.8 |
26.3
238 |
87
84 |
107
143 |
12 |
200 |
65 | |
|
45H7 |
14 |
48.8 |
144 |
29 |
M16×40-8.8 | |||||||||||||||
|
MNAF77 |
180 |
215 |
180j6 |
4 |
1 |
13.5 |
45.5 |
50H7 |
14 |
53.8 |
183 |
32 |
M16×45-8.8 |
40.4
301 |
108
105 |
125
162 |
15 |
250 |
80 | |
|
60H7 |
18 |
64.4 |
180 |
37 |
M20×50-8.8 | |||||||||||||||
|
MNAF87 |
225 |
300 |
250h6 |
5 |
1 |
17.5 |
52.5 |
60H7 |
18 |
64.4 |
220 |
36 |
M20×50-8.8 |
39.6
368 |
128
125 |
150
190 |
18 |
350 |
95 | |
|
70H7 |
20 |
74.9 |
220 |
34 |
M20×50-8.8 | |||||||||||||||
|
MNAF97 |
280 |
400 |
350h6 |
5 |
2 |
17.5 |
60 |
70H7 |
20 |
74.9 |
260 |
34 |
M20×50-8.8 |
59.1
455 |
149
145 |
180
240 |
22 |
450 |
120 | |
|
90H7 |
25 |
95.4 |
255 |
41 |
M24×60-8.8 | |||||||||||||||
上一篇 : MNAT37、MNAT47、MNAT57、MNAT67、MNAT77、MNAT87、MNAT97、系列圆柱蜗杆减速机的安装尺寸
下一篇 : MNF37、MNF47、MNF57、MNF67、MNF77、MNF87、MNF97、系列圆柱蜗杆减速机的安装尺寸
相关推荐