

微信在线客服 邮箱:china@messwelk.com
手机:15275707088
电话:152-7570-7088
地址:山东省德州市德城区抬头寺乡
发布时间:2022-05-18 15:38:42 人气:
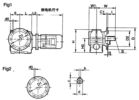
MNF系列圆柱蜗杆减速机的安装尺寸

|
型号 |
安装尺寸 |
轴伸尺寸 |
外形尺寸 | |||||||||||||||||
|
H0 |
D1 |
Fig |
do |
D2 |
R |
d |
l |
b |
c |
S |
L |
C1 |
D |
q |
W1 |
W |
h1 |
H |
L2 | |
|
MNF37 |
82 |
100 |
1 |
6. 6 |
80j6 |
3 |
20k6 |
40 |
6 |
22.5 |
M6 |
80 |
8 |
120 |
63 |
57 |
115 |
4.1 |
131 |
电机尺寸 |
|
130 |
9 |
110j6 |
3.5 |
10 |
160 | |||||||||||||||
|
MNF47 |
100 |
130 |
1 |
9 |
110j6 |
3.5 |
25k6 |
50 |
8 |
28 |
M10 |
96 |
10 |
160 |
75 |
57.5 |
133.5 |
9.0 |
179 | |
|
MNF57 |
112 |
165 |
1 |
11 |
130j6 |
3.5 |
30k6 |
60 |
8 |
33 |
M10 |
107 |
12 |
200 |
80 |
72 |
160 |
21.0 |
189 | |
|
MNF67 |
140 |
165 |
1 |
11 |
130j6 |
3.5 |
35k6 |
70 |
10 |
38 |
M12 |
143 |
12 |
200 |
107 |
80.5 |
190 |
26.3 |
238 | |
|
MNF77 |
180 |
215 |
1 |
13.5 |
180j6 |
4 |
45k6 |
90 |
14 |
48.5 |
M16 |
162 |
15 |
250 |
125 |
121 |
232 |
40.4 |
301 | |
|
MNF87 |
225 |
300 |
1 |
17.5 |
250h6 |
5 |
60m6 |
120 |
18 |
64 |
M20 |
190 |
18 |
350 |
150 |
145 |
290 |
39.6 |
368 | |
|
MNF97 |
280 |
400 |
2 |
17.5 |
350h6 |
5 |
70m6 |
140 |
20 |
74.5 |
M20 |
240 |
22 |
450 |
180 |
165 |
340 |
59.1 |
455 | |
上一篇 : MNAF37、MNAF47、MNAF57、MNAF67、MNAF77、MNAF87、MNAF97、系列圆柱蜗杆减速机的安装尺寸
下一篇 : MNAZ47、MNAZ57、MNAZ67、MNAZ77、MNAZ87、MNAZ97、系列圆柱蜗杆减速机的安装尺寸
相关推荐