

微信在线客服 邮箱:china@messwelk.com
手机:15275707088
电话:152-7570-7088
地址:山东省德州市德城区抬头寺乡
发布时间:2022-05-18 15:35:11 人气:
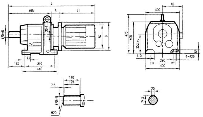
GR107系列斜齿轮减速电机安装结构尺寸

|
电机机座号 |
100L |
112M |
132S |
132M |
160M |
160L |
180M |
180L |
200 |
225S |
225M |
|
AC |
215 |
240 |
275 |
275 |
330 |
330 |
380 |
380 |
420 |
470 |
470 |
|
AD |
180 |
190 |
210 |
210 |
255 |
255 |
280 |
280 |
305 |
335 |
335 |
|
B |
68 |
68 |
106 |
106 |
126 |
126 |
126 |
126 |
140 |
170 |
170 |
|
G |
250 |
250 |
300 |
300 |
350 |
350 |
350 |
350 |
400 |
450 |
450 |
|
L1 |
325 |
340 |
390 |
430 |
505 |
560 |
590 |
630 |
660 |
675 |
705 |
|
L |
888 |
903 |
991 |
1031 |
1126 |
1181 |
1211 |
1251 |
1295 |
1340 |
1370 |
相关推荐