

微信在线客服 邮箱:china@messwelk.com
手机:15275707088
电话:152-7570-7088
地址:山东省德州市德城区抬头寺乡
发布时间:2022-05-18 15:35:10 人气:
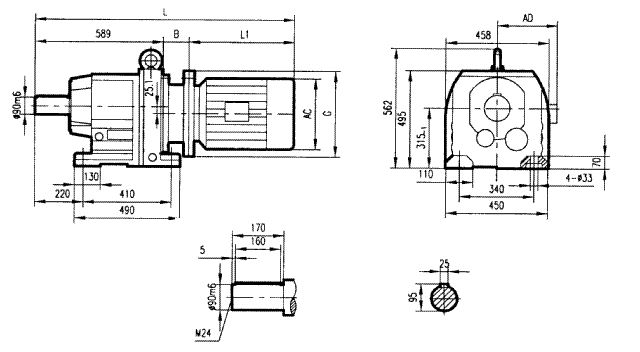
GR137系列斜齿轮减速电机安装结构尺寸

|
电机机座号 |
132S |
132M |
160M |
160L |
180M |
180L |
200 |
225S |
225M |
250M |
|
AC |
275 |
275 |
330 |
330 |
380 |
380 |
420 |
470 |
470 |
510 |
|
AD |
210 |
210 |
255 |
255 |
280 |
280 |
305 |
335 |
335 |
370 |
|
B |
106 |
106 |
127 |
127 |
127 |
127 |
140 |
170 |
170 |
192.5 |
|
G |
300 |
300 |
350 |
350 |
350 |
350 |
400 |
450 |
450 |
550 |
|
L1 |
390 |
430 |
505 |
560 |
590 |
630 |
660 |
675 |
705 |
770 |
|
L |
1286 |
1326 |
1422 |
1477 |
1507 |
1547 |
1590 |
1635 |
1665 |
1752.5 |
相关推荐