

微信在线客服 邮箱:china@messwelk.com
手机:15275707088
电话:152-7570-7088
地址:山东省德州市德城区抬头寺乡
发布时间:2022-05-13 15:21:52 人气:


|
行程(mm) |
US | |||||
|
X |
X⑴ |
L |
m(kg) | |||
|
MIN |
MAX |
MIN |
MAX | |||
|
100 |
161 |
261 |
171 |
271 |
151 |
27 |
|
200 |
161 |
361 |
171 |
371 |
252 |
29 |
|
300 |
161 |
461 |
186 |
486 |
366 |
32 |
|
400 |
161 |
561 |
186 |
586 |
466 |
34 |
|
500 |
161 |
661 |
211 |
711 |
591 |
37 |
|
600 |
161 |
761 |
211 |
811 |
691 |
40 |
|
800 |
161 |
961 |
226 |
1026 |
906 |
45 |
|
1000 |
161 |
1161 |
236 |
1236 |
1116 |
50 |
|
1200 |
161 |
1361 |
|
|
1341 |
56 |
|
行程(mm) |
DS | |||||
|
X |
X⑴ |
L |
m(kg) | |||
|
MIN |
MAX |
MIN |
MAX | |||
|
100 |
42 |
142 |
52 |
152 |
151 |
27 |
|
200 |
42 |
242 |
52 |
252 |
252 |
29 |
|
300 |
42 |
342 |
67 |
367 |
366 |
32 |
|
400 |
42 |
442 |
67 |
467 |
466 |
34 |
|
500 |
42 |
542 |
92 |
592 |
591 |
37 |
|
600 |
42 |
642 |
92 |
692 |
691 |
40 |
|
800 |
42 |
842 |
107 |
907 |
906 |
45 |
|
1000 |
42 |
1042 |
117 |
1117 |
1116 |
50 |
|
1200 |
42 |
1242 |
142 |
|
|
56 |
|
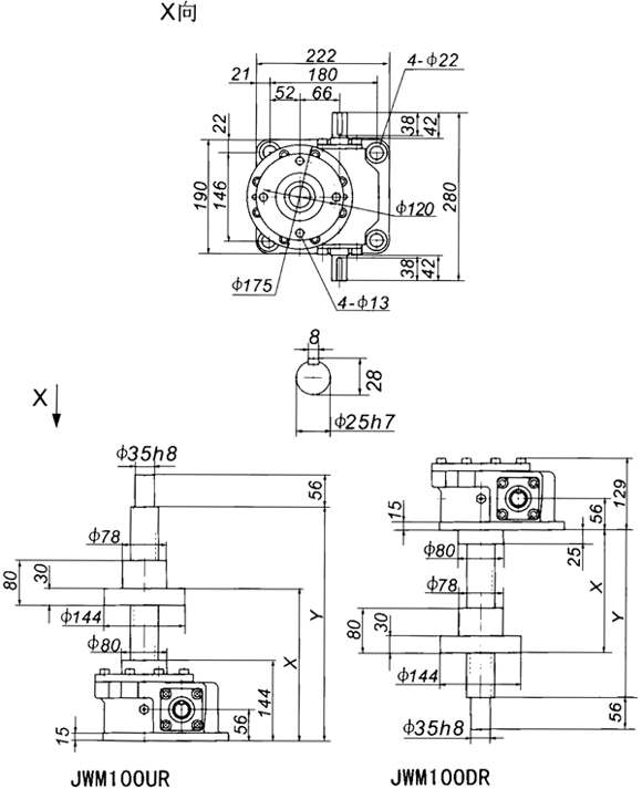
行程(mm) |
UR | |||
|
X |
Y |
m(kg) | ||
|
MIN |
MAX | |||
|
100 |
184 |
284 |
344 |
32 |
|
200 |
184 |
384 |
444 |
33 |
|
300 |
184 |
484 |
544 |
34 |
|
400 |
184 |
584 |
644 |
36 |
|
500 |
184 |
684 |
744 |
37 |
|
600 |
184 |
784 |
844 |
38 |
|
800 |
184 |
984 |
1044 |
41 |
|
1000 |
184 |
1184 |
1244 |
43 |
|
1200 |
184 |
1384 |
1444 |
45 |
|
行程(mm) |
DR | |||
|
X |
Y |
m(kg) | ||
|
MIN |
MAX | |||
|
100 |
115 |
215 |
225 |
32 |
|
200 |
115 |
315 |
325 |
33 |
|
300 |
115 |
415 |
425 |
34 |
|
400 |
115 |
515 |
525 |
36 |
|
500 |
115 |
615 |
625 |
37 |
|
600 |
115 |
715 |
725 |
38 |
|
800 |
115 |
915 |
925 |
41 |
|
1000 |
115 |
1115 |
1125 |
43 |
|
1200 |
115 |
1315 |
1325 |
45 |
相关推荐