

微信在线客服 邮箱:china@messwelk.com
手机:15275707088
电话:152-7570-7088
地址:山东省德州市德城区抬头寺乡
发布时间:2022-05-13 15:21:51 人气:


|
行程(mm) |
US | |||||
|
X |
X⑴ |
L |
m(kg) | |||
|
MIN |
MAX |
MIN |
MAX | |||
|
100 |
183 |
283 |
193 |
293 |
151 |
33 |
|
200 |
183 |
383 |
193 |
393 |
252 |
35 |
|
300 |
183 |
483 |
208 |
508 |
366 |
38 |
|
400 |
183 |
583 |
208 |
608 |
466 |
41 |
|
500 |
183 |
683 |
233 |
733 |
591 |
45 |
|
600 |
183 |
783 |
233 |
833 |
691 |
47 |
|
800 |
183 |
983 |
248 |
1048 |
906 |
53 |
|
1000 |
183 |
1183 |
258 |
1258 |
1116 |
59 |
|
行程(mm) |
DS | |||||
|
X |
X⑴ |
L |
m(kg) | |||
|
MIN |
MAX |
MIN |
MAX | |||
|
100 |
42 |
142 |
52 |
152 |
151 |
33 |
|
200 |
42 |
242 |
52 |
252 |
252 |
35 |
|
300 |
42 |
342 |
67 |
367 |
366 |
38 |
|
400 |
42 |
442 |
67 |
467 |
466 |
41 |
|
500 |
42 |
542 |
92 |
592 |
591 |
45 |
|
600 |
42 |
642 |
92 |
692 |
691 |
47 |
|
800 |
42 |
842 |
107 |
907 |
906 |
53 |
|
1000 |
42 |
1042 |
117 |
1117 |
1116 |
59 |
|
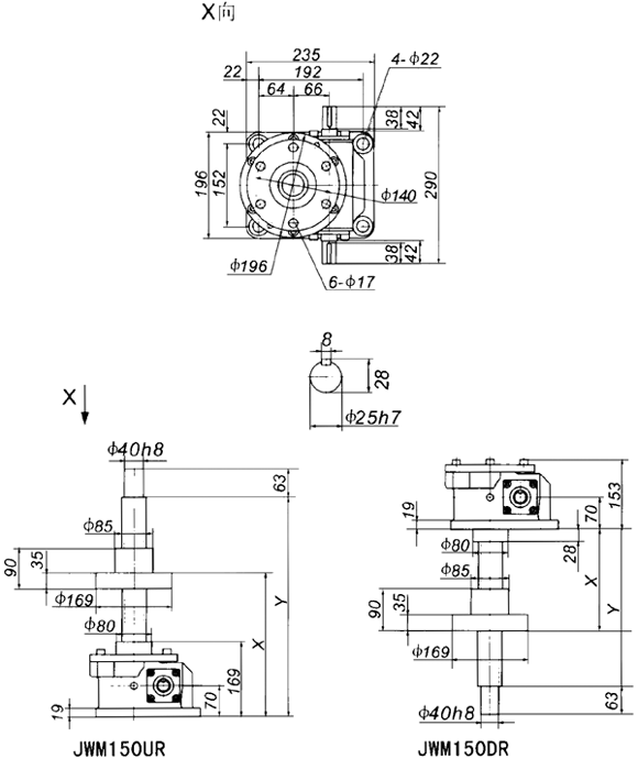
行程(mm) |
UR | |||
|
X |
Y |
m(kg) | ||
|
MIN |
MAX | |||
|
100 |
214 |
314 |
379 |
40 |
|
200 |
214 |
114 |
479 |
42 |
|
300 |
214 |
514 |
579 |
43 |
|
400 |
214 |
614 |
679 |
45 |
|
500 |
214 |
714 |
779 |
46 |
|
600 |
214 |
814 |
879 |
48 |
|
800 |
214 |
1014 |
1079 |
51 |
|
1000 |
214 |
1214 |
1279 |
54 |
|
1200 |
214 |
1414 |
1479 |
57 |
|
行程(mm) |
DR | |||
|
X |
Y |
m(kg) | ||
|
MIN |
MAX | |||
|
100 |
128 |
228 |
239 |
40 |
|
200 |
128 |
328 |
339 |
42 |
|
300 |
128 |
428 |
439 |
43 |
|
400 |
128 |
528 |
539 |
45 |
|
500 |
128 |
628 |
639 |
46 |
|
600 |
128 |
728 |
739 |
48 |
|
800 |
128 |
928 |
939 |
51 |
|
1000 |
128 |
1128 |
1139 |
54 |
|
1200 |
128 |
1328 |
1339 |
57 |
相关推荐