咨询电话:152-7570-7088
联系我们/ CONTACT US
微信在线客服
麦斯维克传动机械

邮箱:china@messwelk.com

手机:15275707088

电话:152-7570-7088

地址:山东省德州市德城区抬头寺乡

您的位置: 首页 > 技术支持 > 蜗轮减速机

蜗轮减速机

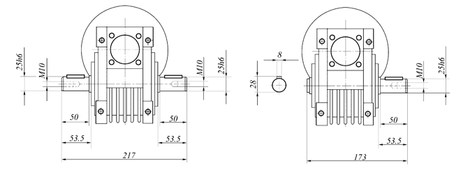
WWJ系列蜗杆减速机(WWJ063型尺寸图)

发布时间:2022-05-12 15:31:03 人气:

WWJ063型尺寸图
WWJ系列蜗杆减速机(WWJ063型尺寸图)(图1)
WWJ系列蜗杆减速机(WWJ063型尺寸图)(图2)

相关推荐

在线客服
服务热线

服务热线

Tel:152-7570-7088

微信咨询
麦斯维克传动机械
返回顶部
X麦斯维克传动机械

截屏,微信识别二维码

微信号:messwelk

(点击微信号复制,添加好友)

  打开微信

微信号已复制,请打开微信添加咨询详情!