

微信在线客服 邮箱:china@messwelk.com
手机:15275707088
电话:152-7570-7088
地址:山东省德州市德城区抬头寺乡
发布时间:2022-05-19 15:17:19 人气:

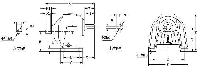
|
马力 (HP) |
减速比 |
机型 |
A |
D |
E |
F |
G |
H |
L |
J |
K |
Y |
出力轴 |
入力轴 | ||||||||
|
P |
Q |
S |
T |
W |
P1 |
Q1 |
S1 |
T1 |
W1 | |||||||||||||
|
200W (1/4HP) |
1/25-1/120 |
22CVD |
193 |
148 |
185 |
175 |
165 |
11 |
12 |
17.5 |
50 |
3 |
40 |
35 |
22 |
25 |
8 |
25 |
22 |
14 |
16 |
5 |
|
400W (1/2HP) |
1/5-1/20 |
22CVD |
198 |
148 |
185 |
175 |
165 |
11 |
12 |
17.5 |
50 |
3 |
40 |
35 |
22 |
25 |
8 |
30 |
27 |
16 |
18 |
5 |
|
1/25-1/90 |
28CVD |
262 |
170 |
220 |
205 |
195 |
11 |
13 |
23 |
60 |
3 |
45 |
40 |
28 |
31 |
8 |
30 |
27 |
16 |
18 |
5 | |
|
750W (1HP) |
1/3-1/25 |
28CVD |
272 |
170 |
220 |
205 |
195 |
11 |
13 |
23 |
60 |
3 |
45 |
40 |
28 |
31 |
8 |
40 |
35 |
19 |
21.5 |
6 |
|
1/30-1/120 |
32CVD |
310 |
185 |
255 |
250 |
220 |
13 |
15 |
30 |
70 |
4 |
55 |
50 |
32 |
35 |
10 |
40 |
35 |
19 |
21.5 |
6 | |
|
1500W (2HP) |
1/3-1/30 |
32CVD |
320 |
185 |
255 |
250 |
220 |
13 |
15 |
30 |
70 |
4 |
55 |
50 |
32 |
35 |
10 |
50 |
40 |
24 |
27 |
8 |
|
1/40-1/100 |
40CVD |
365 |
230 |
310 |
285 |
270 |
15 |
20 |
36 |
85 |
5 |
65 |
60 |
40 |
43 |
12 |
50 |
40 |
24 |
27 |
8 | |
|
2200W (3HP) |
1/3-1/40 |
40CVD |
365 |
230 |
310 |
285 |
270 |
15 |
20 |
36 |
85 |
5 |
65 |
60 |
40 |
43 |
12 |
50 |
40 |
24 |
27 |
8 |
|
1/50-1/100 |
50CVD |
425 |
280 |
390 |
360 |
360 |
19 |
23 |
51 |
92 |
5 |
80 |
75 |
50 |
53.5 |
14 |
60 |
50 |
28 |
31 |
8 | |
|
4000W (5HP) |
1/3-1/60 |
50CVD |
425 |
280 |
390 |
360 |
360 |
19 |
23 |
51 |
92 |
5 |
80 |
75 |
50 |
53.5 |
14 |
60 |
50 |
28 |
31 |
8 |
相关推荐