

微信在线客服 邮箱:china@messwelk.com
手机:15275707088
电话:152-7570-7088
地址:山东省德州市德城区抬头寺乡
发布时间:2022-05-18 15:52:24 人气:

|
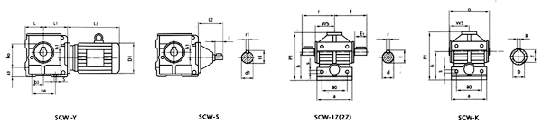
机型号 |
中心高 |
外型尺寸 |
轴输入尺寸 |
轴输出尺寸 |
孔输出尺寸 |
安装尺寸 | |||||||||||||||||||||||
|
a |
p1 |
WS |
O |
h1 |
L |
L1 |
L3 |
D1 |
L2 |
E |
d1 |
t1 |
r1 |
E |
d |
t |
r |
D |
T |
R |
b3 |
b8 |
a3 |
bo |
ao |
f |
s | ||
|
SCW-37 |
88 |
110 |
150 |
55 |
120 |
0 |
63 |
80 |
详
见
电
机
一
览
表 |
115 |
40 |
16 |
18 |
5 |
40 |
20 |
22.5 |
6 |
20 |
22.8 |
6 |
35 |
63 |
40 |
80 |
90 |
100 |
9 | |
|
SCW-47 |
100 |
120 |
165 |
55 |
120 |
11 |
75 |
96 |
115 |
40 |
19 |
18 |
5 |
50 |
25 |
28 |
8 |
25 |
28.3 |
8 |
35 |
80 |
35 |
80 |
100 |
110 |
11 | ||
|
SCW-57 |
112 |
136 |
188 |
70 |
150 |
24 |
80 |
107 |
115 |
40 |
19 |
22 |
6 |
60 |
30 |
33 |
8 |
30 |
33.3 |
8 |
45 |
100 |
35 |
100 |
110 |
134 |
11 | ||
|
SCW-67 |
140 |
160 |
240 |
79 |
168 |
24 |
107 |
135 |
120 |
40 |
19 |
22 |
6 |
70 |
40 |
38 |
10 |
35 |
38.3 |
10 |
60 |
130 |
40 |
130 |
130 |
160 |
14 | ||
|
SCW-77 |
180 |
185 |
300 |
100 |
210 |
33 |
125 |
162 |
140 |
50 |
24 |
27 |
8 |
90 |
50 |
48.5 |
14 |
45 |
48.8 |
14 |
75 |
135 |
70 |
135 |
150 |
195 |
18 | ||
|
SCW-87 |
225 |
250 |
368 |
120 |
250 |
40 |
150 |
190 |
180 |
60 |
28 |
31 |
8 |
120 |
60 |
64 |
18 |
60 |
64.4 |
18 |
92 |
180 |
82 |
180 |
200 |
245 |
22 | ||
|
SCW-97 |
280 |
300 |
455 |
140 |
290 |
53 |
180 |
240 |
220 |
80 |
38 |
41 |
10 |
140 |
70 |
74.5 |
20 |
70 |
74.9 |
20 |
115 |
235 |
90 |
235 |
250 |
285 |
26 | ||

|
机型号 |
外型尺寸 |
轴输入尺寸 |
轴输出
尺寸 |
孔输出
尺寸 |
安装尺寸 | ||||||||||||||||||||||||||
|
H |
h1 |
L1 |
P2 |
W6 |
f2 |
L |
L3 |
D1 |
o |
L2 |
E |
d1 |
t1 |
r1 |
d |
t |
r |
D |
T |
R |
e1 |
b1 |
a1 |
f1 |
f1 |
f7 |
c1 |
n-do | |||
|
SCL-37 |
88 |
0 |
80 |
145 |
55 |
115 |
63 |
详
见
电
机
一
览
表 |
120 |
115 |
40 |
16 |
18 |
5 |
20 |
22.5 |
6 |
20 |
22.8 |
6 |
100 |
80 |
120 |
3 |
40 |
15 |
8 |
4~7 | |||
|
SCL-47 |
100 |
11 |
96 |
179 |
55 |
133 |
75 |
120 |
115 |
40 |
19 |
18 |
5 |
25 |
28 |
8 |
25 |
28.3 |
8 |
130 |
110 |
160 |
3.5 |
50 |
24 |
10 |
4~9 | ||||
|
SCL-57 |
112 |
24 |
107 |
188 |
70 |
160 |
80 |
150 |
115 |
40 |
19 |
22 |
6 |
30 |
33 |
8 |
30 |
33.3 |
8 |
165 |
130 |
200 |
3.5 |
60 |
25 |
12 |
4~11 | ||||
|
SCL-67 |
140 |
24 |
135 |
239 |
79 |
190 |
107 |
168 |
120 |
40 |
19 |
22 |
6 |
35 |
38 |
10 |
40 |
38.3 |
10 |
165 |
130 |
250 |
3.5 |
70 |
42 |
12 |
4~11 | ||||
|
SCL-77 |
180 |
33 |
162 |
300 |
100 |
232 |
125 |
210 |
140 |
50 |
24 |
27 |
8 |
45 |
48.5 |
14 |
50 |
48.8 |
14 |
215 |
180 |
250 |
4 |
90 |
45 |
15 |
4~13.5 | ||||
|
SCL-87 |
225 |
40 |
190 |
368 |
120 |
290 |
150 |
250 |
180 |
60 |
28 |
31 |
8 |
60 |
64 |
18 |
60 |
64.4 |
18 |
300 |
250 |
350 |
5 |
120 |
52 |
18 |
4~17.5 | ||||
|
SCL-97 |
280 |
53 |
240 |
456 |
140 |
340 |
180 |
290 |
220 |
80 |
38 |
41 |
10 |
70 |
74.5 |
20 |
70 |
74.9 |
20 |
400 |
350 |
450 |
5 |
140 |
60 |
22 |
8~17.5 | ||||

|
机型号 |
外型尺寸 |
轴输入尺寸 |
轴输出尺寸 |
孔输出尺寸 |
安装尺寸 | ||||||||||||||||||||||
|
H0 |
H1 |
H2 |
H3 |
D3 |
L1 |
Bo |
L3 |
D1 |
o |
t2 |
E1 |
d1 |
t1 |
r1 |
E |
d |
t |
r |
D |
T |
R |
D2 |
W |
e1 |
R1 |
n-do | |
|
SCA-37 |
|
|
|
|
|
|
|
详
见
电
机
一
览
表 |
|
|
|
|
|
|
|
|
|
|
|
|
|
|
|
|
|
4-M6 | |
|
SCA-47 |
100 |
11 |
180 |
|
135 |
197 |
83 |
120 |
115 |
40 |
16 |
18 |
5 |
50 |
25 |
28 |
8 |
25 |
28.3 |
8 |
95 |
110 |
115 |
3 |
4-M8 | ||
|
SCA-57 |
112 |
24 |
205 |
|
152 |
208 |
91 |
150 |
115 |
40 |
19 |
21.5 |
6 |
60 |
30 |
33 |
8 |
30 |
33.3 |
8 |
110 |
140 |
130 |
3.5 |
6-M8 | ||
|
SCA-67 |
145 |
24 |
257 |
295 |
192 |
253 |
108 |
168 |
120 |
40 |
19 |
2.15 |
6 |
70 |
35 |
38 |
10 |
40 |
38.3 |
10 |
130 |
151 |
165 |
3.5 |
6-M10 | ||
|
SCA-77 |
180 |
33 |
320 |
360 |
243 |
305 |
132 |
210 |
140 |
50 |
24 |
27 |
8 |
90 |
45 |
48.5 |
14 |
50 |
48.8 |
14 |
180 |
195 |
215 |
4 |
6-M12 | ||
|
SCA-87 |
232 |
40 |
385 |
445 |
292 |
365 |
156 |
250 |
180 |
60 |
28 |
31 |
8 |
120 |
60 |
64 |
18 |
60 |
64.4 |
18 |
230 |
240 |
265 |
4 |
8-M12 | ||
|
SCA-97 |
285 |
53 |
490 |
555 |
384 |
458 |
202 |
290 |
220 |
80 |
38 |
41 |
10 |
140 |
70 |
74.5 |
20 |
70 |
74.9 |
20 |
300 |
280 |
350 |
5 |
8-M16 | ||

|
型号 |
D |
D2(H11) |
C |
c1 |
d |
d1 |
D1 |
h |
h1 |
h2 |
k-0.3 |
o |
p |
S1 |
Fig |
|
SCA37 |
112 |
80 |
10 |
2 |
40 |
10.4 |
95 |
32 |
8 |
10 |
36 |
26 |
110 |
7 |
2 |
|
SCA47 |
135 |
95 |
14 |
3 |
40 |
10.4 |
115 |
32 |
8.5 |
9.5 |
36 |
25.5 |
130 |
9 |
2 |
|
SCA57 |
152 |
110 |
14 |
3 |
40 |
10.4 |
130 |
32 |
8.5 |
9.5 |
36 |
25.5 |
160 |
9 |
3 |
|
SCA67 |
192 |
130 |
14 |
3 |
40 |
10.4 |
165 |
32 |
8.5 |
9.5 |
36 |
25.5 |
200 |
11 |
3 |
|
SCA77 |
243 |
180 |
16 |
3 |
60 |
16.4 |
215 |
56 |
18 |
17 |
60 |
40 |
250 |
14 |
3 |
|
SCA87 |
292 |
230 |
18 |
3 |
60 |
16.4 |
265 |
56 |
16 |
15 |
60 |
42 |
310 |
14 |
4 |
|
SCA97 |
384 |
300 |
20 |
3 |
80 |
25 |
350 |
74 |
24 |
25 |
80 |
53 |
380 |
18 |
4 |

|
机型号 |
电机机座号 |
d |
t |
r |
H |
L |
L1 |
D3 |
D2 |
D1 |
n-do |
|
SC-F-37 |
Y63 |
11 |
13 |
4 |
3.5 |
83 |
26 |
140 |
115 |
95 |
4-10 |
|
Y71 |
14 |
16 |
5 |
3.5 |
83 |
33 |
160 |
130 |
110 |
4-10 | |
|
Y80 |
19 |
22 |
6 |
4.5 |
103 |
43 |
200 |
165 |
130 |
4-12 | |
|
SC-F-47 |
Y63 |
11 |
13 |
4 |
3.5 |
83 |
26 |
140 |
115 |
95 |
4-10 |
|
Y71 |
14 |
16 |
5 |
3.5 |
83 |
33 |
160 |
130 |
110 |
4-10 | |
|
Y80 |
19 |
22 |
6 |
4.5 |
103 |
43 |
200 |
165 |
130 |
4-12 | |
|
SC-F-57 |
Y63 |
11 |
13 |
4 |
3.5 |
83 |
26 |
140 |
115 |
95 |
4-10 |
|
Y71 |
14 |
16 |
5 |
3.5 |
83 |
33 |
160 |
130 |
110 |
4-10 | |
|
Y80 |
19 |
22 |
6 |
4.5 |
103 |
43 |
200 |
165 |
130 |
4-12 | |
|
Y90 |
24 |
27 |
8 |
4.5 |
103 , , TD>
|
53 |
200 |
165 |
130 |
4-12 | |
|
SC-F-67 |
Y63 |
11 |
13 | ,
4 |
3.5 |
83 |
26 |
140 |
115 |
95 |
4-10 |
|
Y71 |
14 |
16 |
5 |
3.5 |
83 |
33 |
160 |
130 |
110 |
4-10 | |
|
Y80 |
19 |
22 |
6 |
4.5 |
103 |
43 |
200 |
165 |
130 |
4-12 | |
|
Y90 |
24 |
27 |
8 |
4.5 |
103 |
53 |
200 |
165 |
130 |
4-12 | |
|
Y100 |
28 |
31 |
8 |
5 |
110 |
63 |
250 |
215 |
180 |
4-15 | |
|
SC-F-77 |
Y80 |
19 |
22 |
6 |
4.5 |
103 |
43 |
200 |
165 |
130 |
4-12 |
|
Y90 |
24 |
27 |
8 |
4.5 |
103 |
53 |
200 |
165 |
130 |
4-12 | |
|
Y100 |
28 |
31 |
8 |
5 |
110 |
63 |
250 |
215 |
180 |
4-15 | |
|
Y112 |
28 |
31 |
8 |
5 |
110 |
63 |
250 |
215 |
180 |
4-15 | |
|
Y132 |
38 |
41 |
10 |
5 |
133 |
85 |
300 |
265 |
230 |
4-15 | |
|
SC-F-87 |
Y90 |
24 |
27 |
8 |
4.5 |
103 |
53 |
200 |
165 |
130 |
4-12 |
|
Y100 |
28 |
31 |
8 |
5 |
110 |
63 |
250 |
215 |
180 |
4-15 | |
|
Y112 |
28 |
31 |
8 |
5 |
110 |
63 |
250 |
215 |
180 |
4-15 | |
|
Y132 |
38 |
41 |
10 |
5 |
133 |
85 |
300 |
265 |
230 |
4-15 | |
|
Y160 |
42 |
45 |
12 |
6 |
171 |
115 |
350 |
300 |
250 |
4-19 | |
|
SC-F-97 |
Y90 |
24 |
27 |
8 |
4.5 |
103 |
53 |
200 |
165 |
130 |
4-12 |
|
Y100 |
28 |
31 |
8 |
5 |
110 |
63 |
250 |
215 |
180 |
4-15 | |
|
Y112 |
28 |
31 |
8 |
5 |
110 |
63 |
250 |
215 |
180 |
4-15 | |
|
Y132 |
38 |
41 |
10 |
5 |
133 |
85 |
300 |
265 |
230 |
4-15 | |
|
Y160 |
42 |
45 |
12 |
6 |
171 |
115 |
350 |
300 |
250 |
4-19 | |
|
Y180 |
48 |
52 |
14 |
6 |
171 |
115 |
350 |
300 |
250 |
4-19 |
相关推荐