

微信在线客服 邮箱:china@messwelk.com
手机:15275707088
电话:152-7570-7088
地址:山东省德州市德城区抬头寺乡
发布时间:2022-05-18 15:45:30 人气:

|
|
|
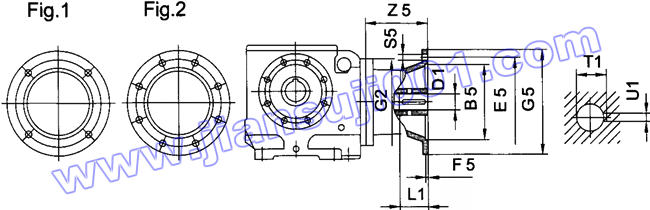
Fig |
B5 |
E5 |
F5 |
G2 |
G5 |
S5M10 |
Z5 |
D1 |
L1 |
T1 |
U1 |
|
JRTS37
JRTS47
JRTS57 |
AM63 |
1 |
95 |
115 |
3.5 |
120 |
140 |
M8 |
72 |
11 |
23 |
12.8 |
4 |
|
AM711) |
110 |
130 |
160 |
14 |
30 |
16.3 |
5 | ||||||
|
AM801) |
130 |
165 |
4.5 |
200 |
M10 |
106 |
19 |
40 |
21.8 |
6 | |||
|
AM901) |
24 |
50 |
27.3 |
8 | |||||||||
|
JRTS67 |
AM63 |
1 |
95 |
115 |
3.5 |
160 |
140 |
M8 |
66 |
11 |
23 |
12.8 |
4 |
|
AM71 |
110 |
130 |
160 |
14 |
30 |
16.3 |
5 | ||||||
|
AM80 |
130 |
165 |
4.5 |
200 |
M10 |
99 |
19 |
40 |
21.8 |
6 | |||
|
AM90 |
24 |
50 |
27.3 |
8 | |||||||||
|
AM1001) |
180 |
215 |
5 |
250 |
M12 |
134 |
28 |
60 |
31.3 |
8 | |||
|
AM1121) | |||||||||||||
|
JRTS77 |
AM63 |
1 |
95 |
115 |
3.5 |
200 |
140 |
M8 |
60 |
11 |
23 |
12.8 |
4 |
|
AM71 |
110 |
130 |
160 |
14 |
30 |
16.3 |
5 | ||||||
|
AM80 |
130 |
165 |
4.5 |
200 |
M10 |
92 |
19 |
40 |
21.8 |
6 | |||
|
AM90 |
24 |
50 |
27.3 |
8 | |||||||||
|
AM1001) |
180 |
215 |
5 |
250 |
M12 |
126 |
28 |
60 |
31.3 |
8 | |||
|
AM1121) | |||||||||||||
|
AM132S1) |
230 |
265 |
5 |
300 |
179 |
38 |
80 |
41.3 |
10 | ||||
|
AM132M1) | |||||||||||||
|
AM132ML1) | |||||||||||||
|
JRTS87 |
AM80 |
1 |
130 |
165 |
4.5 |
250 |
200 |
M10 |
M |
19 |
40 |
21.8 |
6 |
|
AM90 |
|
24 |
50 |
27.3 |
8 | ||||||||
|
AM100 |
180 |
215 |
5 |
250 |
M12 |
121 |
28 |
60 |
31.3 |
8 | |||
|
AM112 | |||||||||||||
|
AM132S |
230 |
265 |
300 |
174 |
38 |
80 |
41.3 |
10 | |||||
|
AM132M | |||||||||||||
|
AM132ML | |||||||||||||
|
AM1601) |
250 |
300 |
6 |
350 |
M16 |
232 |
42 |
110 |
45.3 |
12 | |||
|
AM1801) |
48 |
51.8 |
14 | ||||||||||
|
JRTS97 |
AM100 |
1 |
180 |
215 |
5 |
300 |
250 |
M12 |
116 |
28 |
60 |
31.3 |
8 |
|
AM112 | |||||||||||||
|
AM132S |
230 |
265 |
300 |
169 |
38 |
80 |
41.3 |
10 | |||||
|
AM132M | |||||||||||||
|
AM132ML | |||||||||||||
|
AM160 |
250 |
300 |
6 |
350 |
M16 |
227 |
42 |
110 |
45.3 |
12 | |||
|
AM180 |
48 |
51.8 |
14 | ||||||||||
|
AM200 |
300 |
350 |
7 |
400 |
268 |
55 |
59.3 |
16 | |||||
|
AM2251) |
2 |
350 |
400 |
450 |
283 |
60 |
140 |
64.4 |
18 |
相关推荐