

微信在线客服 邮箱:china@messwelk.com
手机:15275707088
电话:152-7570-7088
地址:山东省德州市德城区抬头寺乡
发布时间:2022-05-18 15:35:54 人气:
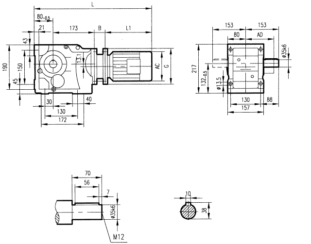
GK57型斜齿轮弧齿锥齿轮减速电机安装结构图尺寸

|
电机机座号 |
63 |
71 |
80 |
90S |
90L |
100L |
112M |
|
|
|
AC |
130 |
145 |
175 |
195 |
195 |
215 |
240 |
|
|
|
AD |
70 |
80 |
145 |
155 |
155 |
180 |
190 |
|
|
|
B |
44.5 |
50 |
69 |
69 |
69 |
81 |
81 |
|
|
|
G |
140 |
160 |
200 |
200 |
200 |
250 |
250 |
|
|
|
L1 |
207 |
225 |
255 |
270 |
295 |
325 |
340 |
|
|
|
L |
504.5 |
528 |
577 |
592 |
617 |
659 |
674 |
|
|
相关推荐