

微信在线客服 邮箱:china@messwelk.com
手机:15275707088
电话:152-7570-7088
地址:山东省德州市德城区抬头寺乡
发布时间:2022-05-18 15:35:51 人气:
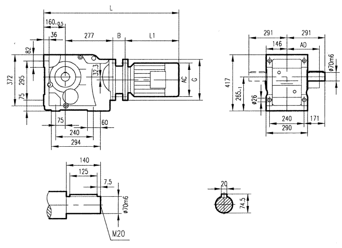
GK97型斜齿轮弧齿锥齿轮减速电机安装结构图尺寸

|
电机机座号 |
90S |
90L |
100L |
112M |
132S |
132M |
160M |
160L |
180M |
180L |
200 |
|
AC |
195 |
195 |
215 |
240 |
275 |
275 |
330 |
330 |
380 |
380 |
420 |
|
AD |
155 |
155 |
180 |
190 |
210 |
210 |
255 |
255 |
280 |
280 |
305 |
|
B |
65 |
65 |
81.5 |
81.5 |
92 |
92 |
125 |
125 |
125 |
125 |
152 |
|
G |
200 |
200 |
250 |
250 |
300 |
300 |
350 |
350 |
350 |
350 |
400 |
|
L1 |
270 |
295 |
325 |
340 |
390 |
430 |
505 |
560 |
590 |
630 |
660 |
|
L |
772 |
797 |
843.5 |
858.5 |
919 |
959 |
1067 |
1122 |
1152 |
1192 |
1249 |
相关推荐