

微信在线客服 邮箱:china@messwelk.com
手机:15275707088
电话:152-7570-7088
地址:山东省德州市德城区抬头寺乡
发布时间:2022-05-18 15:29:18 人气:
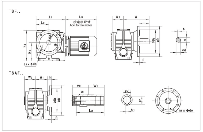
TSF38……系列蜗轮蜗杆减速机外形安装尺寸

|
型号 |
安装尺寸 |
轴伸尺寸 |
外形尺寸 | |||||||||||||||
|
R |
D1 |
D2 |
n1 |
d0 |
l |
b |
d |
c |
L0 |
L1 |
H0 |
H2 |
D |
W0 |
W |
g1 |
H1 | |
|
TSF38 |
3 |
100 |
80j6 |
4 |
6.6 |
40 |
6 |
20k6 |
22.5 |
63 |
143 |
82 |
143 |
120 |
57 |
115 |
120 |
0 |
|
3.5 |
130 |
110j6 |
9 |
160 | ||||||||||||||
|
TSF48 |
3.5 |
130 |
110j6 |
4 |
9 |
50 |
8 |
25k6 |
28 |
75 |
171 |
100 |
165 |
160 |
57.5 |
133.5 |
120 |
12 |
|
TSF58 |
3.5 |
165 |
130j6 |
4 |
11 |
60 |
8 |
30k6 |
33 |
80 |
187 |
112 |
189 |
200 |
72 |
160 |
120 |
20 |
|
TSF68 |
3.5 |
165 |
130j6 |
4 |
11 |
70 |
10 |
35k6 |
38 |
106 |
241 |
140 |
236 |
200 |
80.5 |
190 |
160 |
26 |
|
TSF78 |
4 |
215 |
180j6 |
4 |
13.5 |
90 |
14 |
45k6 |
48.5 |
125 |
287 |
180 |
301 |
250 |
121 |
232 |
200 |
39 |
|
TSF88 |
5 |
300 |
25h6 |
4 |
17.5 |
120 |
18 |
60m6 |
64 |
150 |
340 |
225 |
368 |
350 |
145 |
290 |
250 |
41.5 |
|
TSF98 |
5 |
400 |
350h6 |
8 |
17.5 |
140 |
20 |
70m6 |
74.5 |
180 |
420 |
280 |
455 |
450 |
165 |
340 |
300 |
59 |
|
型号 |
安装尺寸 |
轴伸尺寸 |
外形尺寸 | ||||||||
|
D2 |
D |
l1 |
d1 |
c1 |
b1 |
R |
M |
L2 |
W2 |
W1 | |
|
TSAF38 |
80j6 |
120 |
15 |
20H7 |
22.8 |
6 |
3 |
M6×16 |
104 |
62.5 |
60 |
|
110j6 |
160 |
3.5 | |||||||||
|
TSAF48 |
110j6 |
160 |
24 |
25H7 |
28.3 |
8 |
3.5 |
M10×25 |
105 |
63 |
60 |
|
30H7 |
33.3 |
8 |
M10×25 | ||||||||
|
TSAF58 |
130j6 |
200 |
25 |
30H7 |
33.3 |
8 |
3.5 |
M10×25 |
132 |
78 |
75 |
|
35H7 |
38.3 |
10 |
M12×30 | ||||||||
|
TSAF68 |
130j6 |
200 |
42.5 |
40H7 |
43.3 |
12 |
3.5 |
M16×40 |
144 |
87 |
84 |
|
45H7 |
48.8 |
14 |
M16×40 | ||||||||
|
TSAF78 |
180j6 |
250 |
42.5 |
50H7 |
53.8 |
14 |
4 |
M16×45 |
180 |
108 |
105 |
|
60H7 |
64.4 |
18 |
M20×50 | ||||||||
|
TSAF88 |
250h6 |
350 |
52.5 |
60H7 |
64.4 |
18 |
5 |
M20×50 |
220 |
128 |
125 |
|
70H7 |
74.9 |
20 |
M20×50 | ||||||||
|
TSAF98 |
350h6 |
450 |
60 |
70H7 |
74.9 |
20 |
5 |
M20×50 |
260 |
149 |
145 |
|
90H7 |
95.4 |
25 |
M24×60 | ||||||||
相关推荐