

微信在线客服 邮箱:china@messwelk.com
手机:15275707088
电话:152-7570-7088
地址:山东省德州市德城区抬头寺乡
发布时间:2022-05-18 15:28:18 人气:
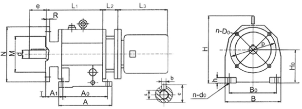
CJ07、CJ15、型齿轮三相异步减速机外形及安装尺寸

|
机型号 |
中心高 |
安装尺寸 |
输出轴尺寸 |
外形尺寸 |
许用负载
转矩范围
N・m | ||||||||||||||
|
H0 |
A0 |
B0 |
A1 |
n |
d0 |
d |
b |
c |
s |
e |
A |
B |
h |
H |
L1 |
L2 |
L3 | ||
|
CJ07 |
120 |
160 |
170 |
39.5 |
4 |
12 |
30js6 |
8 |
33 |
M8 |
60 |
190 |
200 |
20 |
253 |
180 |
0或55 |
尺寸按所配电机 |
0~300 |
|
35js6 |
10 |
38 |
300~500 | ||||||||||||||||
|
CJ15 |
150 |
205 |
200 |
31.5 |
4 |
14 |
40k6 |
12 |
43 |
M10 |
70 |
241 |
242 |
25 |
293 |
220 |
0或65 |
0~800 | |
|
45k6 |
14 |
48.5 |
800~1200 | ||||||||||||||||

|
机型号 |
中心高 |
安装尺寸 |
输出轴尺寸 |
外形尺寸 |
许用负载转矩范围
N・m | |||||||||||||||||||
|
H0 |
A0 |
B0 |
A1 |
n-d0 |
M |
P |
T |
n-D0 |
d |
b |
c |
s |
e |
A |
B |
h |
H |
N |
R |
L2 |
L2 |
L3 | ||
|
CJ07 |
120 |
160 |
170 |
39.5 |
4-12 |
130h7 |
165 |
3.5 |
4-12 |
30js6 |
8 |
33 |
M8 |
60 |
190 |
200 |
20 |
253 |
200 |
14 |
201 |
0或55 |
尺寸按所配电机 |
0~300 |
|
35js6 |
10 |
38 |
300~500 | |||||||||||||||||||||
|
CJ15 |
120 |
205 |
200 |
31.5 |
4-14 |
180h7 |
215 |
3.5 |
4-15 |
40k6 |
12 |
43 |
M10 |
70 |
241 |
242 |
25 |
293 |
250 |
16 |
250 |
0或65 |
0~800 | |
|
45k6 |
14 |
48.5 |
800~1200 | |||||||||||||||||||||
相关推荐