

微信在线客服 邮箱:china@messwelk.com
手机:15275707088
电话:152-7570-7088
地址:山东省德州市德城区抬头寺乡
发布时间:2022-05-18 15:27:49 人气:
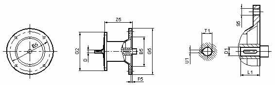
产品附件-标准电机接盘

|
减速机型号 |
接盘型号 |
B5 |
D |
E5 |
F5 |
G2 |
G5 |
S5 |
Z5 |
D1 |
L1 |
T1 |
U1 |
|
JF..27
JF..37
JF..47 |
AM63 |
95 |
10 |
115 |
3.5 |
120 |
140 |
M8 |
72 |
11 |
23 |
12.8 |
4 |
|
AM71 |
110 |
10 |
130 |
3.5 |
120 |
160 |
M8 |
72 |
14 |
30 |
16.3 |
5 | |
|
AM80 |
130 |
12 |
165 |
4.5 |
120 |
200 |
M10 |
106 |
19 |
40 |
21.8 |
6 | |
|
AM90 |
130 |
14 |
165 |
4.5 |
120 |
200 |
M10 |
106 |
24 |
50 |
27.3 |
8 | |
|
JF..57
JF..67 |
AM63 |
95 |
10 |
115 |
3.5 |
160 |
140 |
M8 |
66 |
11 |
23 |
12.8 |
4 |
|
AM71 |
110 |
10 |
130 |
3.5 |
160 |
160 |
M8 |
66 |
14 |
30 |
16.3 |
5 | |
|
AM80 |
130 |
12 |
165 |
4.5 |
160 |
200 |
M10 |
99 |
19 |
10 |
21.8 |
6 | |
|
AM90 |
130 |
14 |
165 |
4.5 |
160 |
200 |
M10 |
99 |
24 |
50 |
27.3 |
8 | |
|
AM90 |
180 |
16 |
215 |
5 |
160 |
250 |
M12 |
134 |
28 |
60 |
31.3 |
8 | |
|
AM112 |
180 |
18 |
215 |
5 |
160 |
250 |
M12 |
134 |
28 |
60 |
31.3 |
8 | |
|
JF..77 |
AM63 |
95 |
10 |
115 |
3.5 |
200 |
140 |
M8 |
60 |
11 |
23 |
12.8 |
4 |
|
AM71 |
110 |
10 |
130 |
3.5 |
200 |
160 |
M8 |
60 |
14 |
30 |
16.3 |
5 | |
|
AM80 |
130 |
12 |
165 |
4.5 |
200 |
200 |
M10 |
92 |
19 |
40 |
21.8 |
6 | |
|
AM90 |
130 |
14 |
165 |
4.5 |
200 |
200 |
M10 |
92 |
24 |
50 |
27.3 |
8 | |
|
AM90 |
180 |
16 |
215 |
5 |
200 |
250 |
M12 |
126 |
28 |
60 |
31.3 |
8 | |
|
AM112 |
180 |
18 |
215 |
5 |
200 |
250 |
M12 |
126 |
28 |
60 |
31.3 |
8 | |
|
AM132S |
230 |
22 |
265 |
5 |
200 |
300 |
M12 |
179 |
38 |
80 |
41.3 |
10 | |
|
AM132M |
230 |
22 |
265 |
5 |
200 |
300 |
M12 |
179 |
38 |
80 |
41.3 |
10 | |
|
AM132L |
230 |
28 |
265 |
5 |
200 |
300 |
M12 |
179 |
38 |
80 |
41.3 |
10 | |
|
JF..87 |
AM80 |
130 |
12 |
165 |
4.5 |
250 |
200 |
M10 |
87 |
19 |
40 |
21.8 |
6 |
|
AM90 |
130 |
14 |
165 |
4.5 |
250 |
200 |
M10 |
87 |
24 |
50 |
27.3 |
8 | |
|
AM100 |
180 |
16 |
215 |
5 |
250 |
250 |
M12 |
121 |
28 |
60 |
31.3 |
8 | |
|
AM112 |
180 |
18 |
215 |
5 |
250 |
250 |
M12 |
121 |
28 |
60 |
31.3 |
8 | |
|
AM132S |
230 |
22 |
265 |
5 |
250 |
300 |
M12 |
174 |
38 |
80 |
41.3 |
10 | |
|
AM132M |
230 |
22 |
265 |
5 |
250 |
300 |
M12 |
174 |
38 |
80 |
41.3 |
10 | |
|
AM132L |
230 |
28 |
265 |
5 |
250 |
300 |
M12 |
174 |
38 |
80 |
41.3 |
10 | |
|
AM160 |
250 |
28 |
300 |
6 |
250 |
350 |
M16 |
232 |
42 |
110 |
45.3 |
12 | |
|
AM180 |
250 |
32 |
300 |
6 |
250 |
350 |
M16 |
232 |
48 |
110 |
51.8 |
14 |

|
减速机型号 |
接盘型号 |
|
B5 |
D |
E5 |
F5 |
G2 |
G5 |
S5 |
Z5 |
D1 |
L1 |
T1 |
U1 |
|
JF..97 |
AM100 |
1 |
180 |
16 |
215 |
5 |
300 |
250 |
M12 |
116 |
28 |
60 |
31.3 |
8 |
|
AM112 |
1 |
180 |
18 |
215 |
5 |
300 |
250 |
M12 |
116 |
28 |
60 |
31.3 |
8 | |
|
AM132S |
1 |
230 |
22 |
265 |
5 |
300 |
300 |
M12 |
169 |
38 |
80 |
41.3 |
10 | |
|
AM132M |
1 |
230 |
22 |
265 |
5 |
300 |
300 |
M12 |
169 |
38 |
80 |
41.3 |
10 | |
|
AM132L |
1 |
230 |
28 |
265 |
5 |
300 |
300 |
M12 |
169 |
38 |
80 |
41.3 |
10 | |
|
AM160 |
1 |
250 |
28 |
300 |
6 |
300 |
350 |
M16 |
227 |
42 |
110 |
45.3 |
12 | |
|
AM180 |
1 |
250 |
32 |
300 |
6 |
300 |
350 |
M16 |
227 |
48 |
110 |
51.8 |
14 | |
|
AM200 |
1 |
300 |
38 |
350 |
7 |
300 |
400 |
M16 |
268 |
55 |
110 |
59.3 |
16 | |
|
AM225 |
2 |
350 |
38 |
400 |
7 |
300 |
450 |
M16 |
283 |
60 |
140 |
64.4 |
18 | |
|
JF..107 |
AM100 |
1 |
180 |
16 |
215 |
5 |
350 |
250 |
M12 |
110 |
28 |
60 |
31.3 |
8 |
|
AM112 |
1 |
180 |
18 |
215 |
5 |
350 |
250 |
M12 |
110 |
28 |
60 |
31.3 |
8 | |
|
AM132S |
1 |
230 |
22 |
265 |
5 |
350 |
300 |
M12 |
163 |
38 |
80 |
41.3 |
10 | |
|
AM132M |
1 |
230 |
22 |
265 |
5 |
350 |
300 |
M12 |
163 |
38 |
80 |
41.3 |
10 | |
|
AM132L |
1 |
230 |
28 |
265 |
5 |
350 |
300 |
M12 |
163 |
38 |
80 |
41.3 |
10 | |
|
AM160 |
1 |
250 |
28 |
300 |
6 |
350 |
350 |
M16 |
221 |
42 |
110 |
45.3 |
12 | |
|
AM180 |
1 |
250 |
32 |
300 |
6 |
350 |
350 |
M16 |
221 |
48 |
110 |
51.8 |
14 | |
|
AM200 |
1 |
300 |
38 |
350 |
7 |
350 |
400 |
M16 |
262 |
55 |
110 |
59.3 |
16 | |
|
AM225 |
2 |
350 |
38 |
400 |
7 |
350 |
450 |
M16 |
277 |
60 |
140 |
64.4 |
18 | |
|
JF..127 |
AM132S |
1 |
230 |
22 |
265 |
5 |
450 |
300 |
M12 |
148 |
38 |
80 |
41.3 |
10 |
|
AM132M |
1 |
230 |
22 |
265 |
5 |
450 |
300 |
M12 |
148 |
38 |
80 |
41.3 |
10 | |
|
AM132L |
1 |
230 |
28 |
300 |
6 |
450 |
350 |
M16 |
206 |
42 |
110 |
41.3 |
12 | |
|
AM160 |
1 |
250 |
28 |
300 |
6 |
450 |
350 |
M16 |
206 |
48 |
110 |
45.3 |
14 | |
|
AM180 |
1 |
250 |
32 |
350 |
7 |
450 |
400 |
M16 |
247 |
55 |
110 |
51.8 |
16 | |
|
AM200 |
2 |
300 |
38 |
400 |
7 |
450 |
450 |
M16 |
262 |
60 |
140 |
59.3 |
18 | |
|
AM225 |
2 |
350 |
38 |
500 |
7 |
450 |
550 |
M16 |
336 |
65 |
140 |
64.4 |
18 | |
|
AM250 |
2 |
450 |
48 |
500 |
7 |
450 |
550 |
M16 |
336 |
65 |
140 |
69.4 |
20 | |
|
AM280 |
2 |
450 |
48 |
500 |
7 |
450 |
550 |
M16 |
336 |
75 |
140 |
79.9 |
20 | |
|
JF..157 |
AM160 |
1 |
250 |
28 |
300 |
6 |
550 |
350 |
M16 |
198 |
42 |
110 |
45.3 |
12 |
|
AM180 |
1 |
250 |
32 |
300 |
6 |
550 |
350 |
M16 |
198 |
48 |
110 |
51.8 |
14 | |
|
AM200 |
1 |
300 |
38 |
350 |
7 |
550 |
400 |
M16 |
239 |
55 |
110 |
59.3 |
16 | |
|
AM225 |
2 |
350 |
38 |
400 |
7 |
550 |
450 |
M16 |
254 |
60 |
140 |
64.4 |
18 | |
|
AM250 |
2 |
450 |
48 |
500 |
7 |
550 |
550 |
M16 |
328 |
65 |
140 |
69.4 |
18 | |
|
AM280 |
2 |
450 |
48 |
500 |
7 |
550 |
550 |
M16 |
328 |
75 |
140 |
79.9 |
20 |
相关推荐