

 微信在线客服 邮箱:china@messwelk.com
手机:15275707088
电话:152-7570-7088
地址:山东省德州市德城区抬头寺乡
发布时间:2022-05-17 14:09:13 人气:
| 
 
 A=B+56配KL30型支座 
 
 ●     滚筒名义直径  Ø135mm● 
 A=B+56配KL30型支座 
 注:图A为接线盒接线装置  图B是软线接线装置 
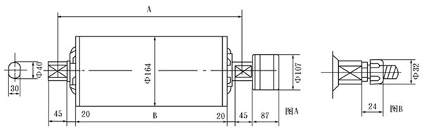
●     滚筒名义直径  Ø160mm ● 
                                                                           A=B+82配KL40型支座 
 注:图A为接线盒接线装置  图B是软线接线装置  | 
|||||||||||||||||||||||||||||||||||||||||||||||||||||||||||||||
相关推荐