

微信在线客服 邮箱:china@messwelk.com
手机:15275707088
电话:152-7570-7088
地址:山东省德州市德城区抬头寺乡
发布时间:2022-05-16 15:27:48 人气:
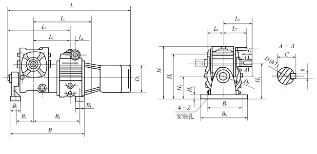
URX系列与蜗轮箱组合型的外形及安装尺寸

|
型号 |
L |
L1 |
L2 |
L3 |
L4 |
L5 |
L6 |
L7 |
E |
H |
H1 |
H2 |
H3 |
H4 |
B |
B1 |
B2 |
B3
B4 |
B5 |
B6 |
D |
D1 |
D2 |
C |
b |
Z |
重量
/kg |
|
URX0.55-W10
URX0.75-W30 |
630 |
280 |
333 |
205 |
26 |
140 |
74 |
106 |
65 |
305 |
234 |
120 |
20 |
200 |
415 |
110 |
255 |
50 |
240 |
200 |
32 |
173 |
210 |
35 |
10 |
14 |
70 |
|
URX1.1-W10
URX1.5-W30 |
727 |
325 |
392 |
240 |
31 |
170 |
104 |
142 |
75 |
384 |
291 |
150 |
30 |
250 |
495 |
130 |
305 |
60 |
290 |
240 |
38 |
197 |
254 |
41 |
10 |
18 |
100 |
相关推荐