

微信在线客服 邮箱:china@messwelk.com
手机:15275707088
电话:152-7570-7088
地址:山东省德州市德城区抬头寺乡
发布时间:2022-05-16 15:19:37 人气:
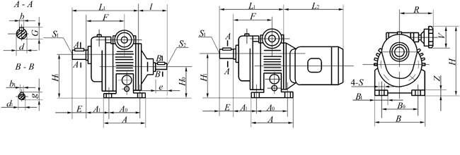
UD型基本型与齿轮组合地脚式外形及安装尺寸

|
型号 |
中心高 |
安装尺寸 |
输出轴 |
输入轴 |
外形尺寸 | ||||||||||||||||||||||
|
H0 |
H1 |
A0 |
A1 |
B0 |
S |
d(k6) |
b |
G |
E |
S1 |
d1(js6) |
b1 |
g |
e |
l |
S2 |
A |
Z |
F |
B |
B1 |
H |
R |
V |
L1 |
L2 | |
|
UD2.2B3-C |
150 |
230 |
230 |
63 |
245 |
14 |
40 |
12 |
43 |
60 |
M10 |
24 |
8 |
27 |
50 |
119 |
M8 |
270 |
25 |
170 |
300 |
55 |
350 |
166 |
100 |
306 |
320 |
|
UD3B3-C |
320 | ||||||||||||||||||||||||||
|
UD4B3-C |
340 | ||||||||||||||||||||||||||
|
UD5.5B3-C |
200 |
320 |
250 |
157 |
315 |
18 |
50 |
14 |
53.5 |
82 |
M10 |
32 |
10 |
35 |
60 |
109 |
M10 |
290 |
30 |
255 |
365 |
70 |
447 |
194 |
100 |
455 |
395 |
|
UD7.5B3-C |
435 | ||||||||||||||||||||||||||
相关推荐