

微信在线客服 邮箱:china@messwelk.com
手机:15275707088
电话:152-7570-7088
地址:山东省德州市德城区抬头寺乡
发布时间:2022-05-16 15:04:15 人气:

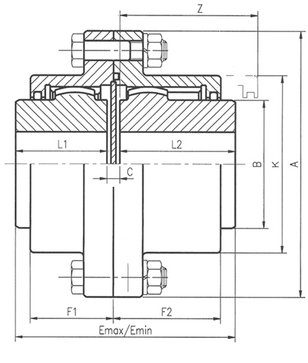
|
型号 |
扭力kg-M |
最高回转数
RPM |
最大
孔径
mm |
最小
孔径
mm |
重量
kg |
润滑油重量
g |
尺寸 mm | |||||||||||
|
L1 |
L2 |
C |
A |
B |
F1 |
F2 |
K |
La |
Emax |
Emin |
Z | |||||||
|
75 |
410 |
4000 |
75 |
37 |
19 |
89 |
80 |
100 |
12 |
184 |
105 |
54 |
85 |
140 |
30 |
222 |
192 |
151 |
|
90 |
670 |
4000 |
90 |
37 |
25 |
147 |
90 |
100 |
12 |
206 |
125 |
55 |
90 |
160 |
30 |
232 |
202 |
155 |
|
105 |
980 |
3750 |
105 |
37 |
35 |
199 |
100 |
100 |
12 |
221 |
140 |
59 |
90 |
175 |
30 |
242 |
212 |
151 |
|
115 |
1420 |
3300 |
115 |
42 |
44 |
294 |
112 |
112 |
12 |
244 |
155 |
71 |
100 |
188 |
40 |
276 |
236 |
159 |
|
135 |
2100 |
3000 |
135 |
42 |
63 |
420 |
125 |
125 |
12 |
266 |
180 |
73 |
105 |
214 |
40 |
302 |
262 |
172 |
|
150 |
3100 |
2650 |
150 |
47 |
88 |
525 |
140 |
140 |
12 |
292 |
200 |
82 |
110 |
240 |
40 |
332 |
292 |
198 |
|
175 |
4550 |
2350 |
175 |
80 |
133 |
840 |
160 |
160 |
12 |
331 |
235 |
85 |
110 |
285 |
40 |
372 |
332 |
220 |
相关推荐