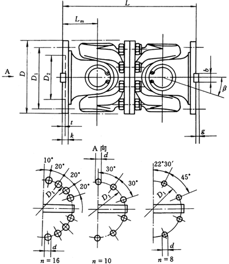
WD型无伸缩短式万向联轴器外形安装尺寸(JB/T5513-91)
发布时间:2022-05-15 14:54:26 人气:
WD型无伸缩短式万向联轴器外形安装尺寸(JB/T5513-91)

WD型无伸缩短式万向联轴器基本参数和主要尺寸(JB/T5513-91)/mm
|
型号 |
回转
直径D |
公称转矩
Tn/kN・m |
疲劳转矩
Tf/kN・m |
轴线折角
β/(°)≤ |
L |
D1
(js11) |
D2
(H7) |
Lm |
n-d |
k |
t |
b
(h9) |
g |
转动惯量
I/kg・m2 |
质量
m/kg |
|
SWC180WD |
180 |
12.5 |
6.3 |
25 |
440 |
155 |
105 |
110 |
8-17 |
17 |
5 |
- |
- |
0.145 |
52 |
|
SWC225WD |
225 |
40 |
20 |
15 |
480 |
196 |
135 |
120 |
8-17 |
20 |
5 |
32 |
9 |
0.355 |
82 |
|
SWC250WD |
250 |
63 |
31.5 |
15 |
560 |
218 |
150 |
140 |
8-19 |
25 |
6 |
40 |
12.5 |
0.831 |
127 |
|
SWC285WD |
285 |
90 |
45 |
15 |
640 |
245 |
170 |
160 |
8-21 |
27 |
7 |
40 |
15 |
1.715 |
189 |
|
SWC315WD |
315 |
125 |
63 |
15 |
720 |
280 |
185 |
180 |
10-23 |
32 |
8 |
40 |
15 |
2.82 |
270 |
|
SWC350WD |
350 |
180 |
90 |
15 |
776 |
310 |
210 |
194 |
10-23 |
35 |
8 |
50 |
16 |
4.791 |
370 |
|
SWC390WD |
390 |
250 |
125 |
15 |
860 |
345 |
235 |
215 |
10-25 |
40 |
8 |
70 |
18 |
8.229 |
524 |
|
SWC440WD |
440 |
355 |
180 |
15 |
1040 |
390 |
255 |
260 |
16-28 |
42 |
10 |
80 |
20 |
15.32 |
798 |
|
SWC490WD |
490 |
500 |
250 |
15 |
1080 |
435 |
275 |
270 |
16-31 |
47 |
12 |
90 |
22.5 |
25.74 |
1055 |
|
SWC550WD |
550 |
710 |
355 |
15 |
1220 |
492 |
320 |
305 |
16-31 |
50 |
12 |
100 |
22.5 |
46.78 |
1524 |
|
SWC620WD |
620 |
1000 |
500 |
15 |
1360 |
555 |
380 |
340 |
10-38 |
55 |
12 |
100 |
25 |
83.76 |
2120 |
注:Tf为在交变负荷下按疲劳强度所允许的转矩。 |
|