

微信在线客服 邮箱:china@messwelk.com
手机:15275707088
电话:152-7570-7088
地址:山东省德州市德城区抬头寺乡
发布时间:2022-05-13 15:21:40 人气:
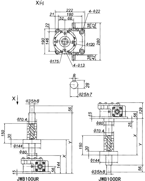
JWB100丝杠升降机外形尺寸


JWB100
|
行程(mm) |
US |
DS |
m(kg) | ||||||||
|
X |
X⑴ |
L |
X |
X⑴ |
L | ||||||
|
MIN |
MAX |
MIN |
MAX |
MIN |
MAX |
MIN |
MAX | ||||
|
100 |
302 |
402 |
312 |
412 |
151 |
42 |
142 |
52 |
152 |
151 |
36 |
|
200 |
302 |
502 |
312 |
512 |
252 |
42 |
242 |
52 |
252 |
252 |
38 |
|
300 |
302 |
602 |
327 |
627 |
366 |
42 |
342 |
67 |
367 |
366 |
41 |
|
400 |
302 |
702 |
327 |
727 |
466 |
42 |
442 |
67 |
467 |
466 |
43 |
|
500 |
302 |
802 |
352 |
852 |
591 |
42 |
542 |
92 |
592 |
591 |
46 |
|
600 |
302 |
902 |
352 |
952 |
691 |
42 |
642 |
92 |
692 |
691 |
48 |
|
800 |
302 |
1102 |
367 |
1167 |
906 |
42 |
842 |
107 |
907 |
906 |
53 |
|
1000 |
302 |
1302 |
377 |
1377 |
1116 |
42 |
1042 |
117 |
1117 |
1116 |
58 |
|
1200 |
302 |
1502 |
402 |
1602 |
1341 |
42 |
1242 |
142 |
1342 |
1341 |
63 |
|
行程(mm) |
UR | |||
|
X |
Y |
m(kg) | ||
|
MIN |
MAX | |||
|
100 |
184 |
284 |
414 |
31 |
|
200 |
184 |
384 |
514 |
32 |
|
300 |
184 |
484 |
614 |
33 |
|
400 |
184 |
584 |
714 |
34 |
|
500 |
184 |
684 |
814 |
35 |
|
600 |
184 |
784 |
914 |
36 |
|
800 |
184 |
984 |
1114 |
39 |
|
1000 |
184 |
1184 |
1314 |
41 |
|
1200 |
184 |
1384 |
1514 |
43 |
|
行程(mm) |
DR | |||
|
X |
Y |
m(kg) | ||
|
MIN |
MAX | |||
|
100 |
185 |
285 |
295 |
31 |
|
200 |
185 |
385 |
395 |
32 |
|
300 |
185 |
485 |
495 |
33 |
|
400 |
185 |
585 |
595 |
34 |
|
500 |
185 |
685 |
695 |
35 |
|
600 |
185 |
785 |
795 |
36 |
|
800 |
185 |
985 |
995 |
39 |
|
1000 |
185 |
1185 |
1195 |
41 |
|
1200 |
185 |
1385 |
1395 |
43 |
相关推荐