

 微信在线客服 邮箱:china@messwelk.com
手机:15275707088
电话:152-7570-7088
地址:山东省德州市德城区抬头寺乡
发布时间:2022-05-12 15:57:01 人气:
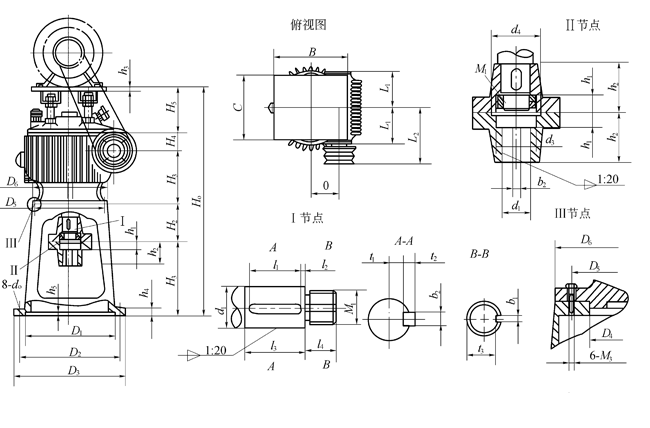
M型立式蜗杆减速机外形尺寸

M减速机主要尺寸 /mm
| 
 型号  | 
 外形尺寸  | 
 输出轴端联接尺寸  | ||||||||||||||||||||
| 
 H0  | 
 H1  | 
 H2  | 
 H3  | 
 H4  | 
 H5  | 
 L1  | 
 L2  | 
 B  | 
 C  | 
 O  | 
 M1  | 
 l1  | 
 l2  | 
 l3  | 
 l4  | 
 d1  | 
 b1  | 
 b2  | 
 t1  | 
 t2  | 
 t3  | |
| 
 M4  | 
 570  | 
 200  | 
 100  | 
 105  | 
 60  | 
 105  | 
 111  | 
 175  | 
 230  | 
 200  | 
 86  | 
 M27×1.5  | 
 40  | 
 4  | 
 48  | 
 25  | 
 35  | 
 5  | 
 10  | 
 8  | 
 11.9  | 
 23  | 
| 
 M6  | 
 740  | 
 250  | 
 130  | 
 145  | 
 75  | 
 140  | 
 147  | 
 212  | 
 300  | 
 280  | 
 126  | 
 M39×1.5  | 
 50  | 
 4  | 
 58  | 
 30  | 
 50  | 
 6  | 
 16  | 
 10  | 
 18.3  | 
 35  | 
| 
 M8  | 
 890  | 
 300  | 
 150  | 
 180  | 
 100  | 
 160  | 
 184  | 
 280  | 
 380  | 
 350  | 
 164  | 
 M42×1.5  | 
 70  | 
 4  | 
 78  | 
 30  | 
 55  | 
 6  | 
 16  | 
 10  | 
 21.5  | 
 38  | 
| 
 M10  | 
 1070  | 
 380  | 
 170  | 
 210  | 
 120  | 
 190  | 
 235  | 
 370  | 
 415  | 
 400  | 
 205  | 
 M52×1.5  | 
 80  | 
 4  | 
 88  | 
 40  | 
 70  | 
 8  | 
 20  | 
 12  | 
 26.4  | 
 48  | 
| 
 M12  | 
 1090  | 
 380  | 
 170  | 
 218  | 
 110  | 
 212  | 
 241  | 
 417  | 
 480  | 
 500  | 
 240  | 
 M60×2  | 
 80  | 
 4  | 
 88  | 
 40  | 
 80  | 
 8  | 
 22  | 
 14  | 
 29.9  | 
 56  | 
| 
 M14  | 
 1218  | 
 336  | 
 214  | 
 278  | 
 160  | 
 230  | 
 300  | 
 480  | 
 640  | 
 700  | 
 301  | 
 M80×3  | 
 110  | 
 5  | 
 123  | 
 45  | 
 100  | 
 10  | 
 28  | 
 16  | 
 38.4  | 
 74  | 
| 
 型号  | 
 安装尺寸  | ||||||||||||||
| 
 机座输出端  | 
 机座输入端(III节点)  | 
 联轴器(II节点)  | |||||||||||||
| 
 D1(H8)  | 
 D2  | 
 D3  | 
 h4  | 
 h5  | 
 d0  | 
 h3  | 
 D4  | 
 D5  | 
 D6  | 
 M3  | 
 h1  | 
 h2  | 
 d3  | 
 d4  | |
| 
 M4  | 
 215  | 
 260  | 
 290  | 
 15  | 
 6  | 
 12  | 
 8  | 
 125  | 
 145  | 
 170  | 
 M10  | 
 25  | 
 75  | 
 58  | 
 72  | 
| 
 M6  | 
 290  | 
 350  | 
 380  | 
 20  | 
 7  | 
 14  | 
 10  | 
 180  | 
 210  | 
 240  | 
 M10  | 
 30  | 
 90  | 
 70  | 
 85  | 
| 
 M8  | 
 360  | 
 440  | 
 480  | 
 24  | 
 7  | 
 18  | 
 12  | 
 200  | 
 250  | 
 300  | 
 M12  | 
 30  | 
 110  | 
 80  | 
 100  | 
| 
 M10  | 
 440  | 
 535  | 
 580  | 
 25  | 
 7  | 
 22  | 
 14  | 
 230  | 
 300  | 
 360  | 
 M16  | 
 40  | 
 130  | 
 95  | 
 115  | 
| 
 M12  | 
 440  | 
 535  | 
 580  | 
 28  | 
 7  | 
 22  | 
 14  | 
 230  | 
 300  | 
 360  | 
 M16  | 
 40  | 
 130  | 
 105  | 
 130  | 
| 
 M14  | 
 540  | 
 605  | 
 650  | 
 30  | 
 9  | 
 24  | 
 16  | 
 300  | 
 370  | 
 425  | 
 M24  | 
 50  | 
 170  | 
 130  | 
 160  | 
相关推荐