Basic HTML Version
Table of Contents
View Full Version
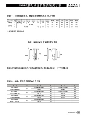
Page 69 - 8000摆线针轮减速机在线手册|麦斯维克
P. 69
64
65
66
67
68
69
70